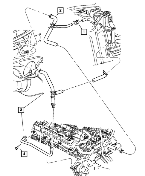
Air Conditioner and Heater Plumbing for 2005 Dodge Magnum
No.
Part # / Description / Price
Price
N/A
Condenser And Trans Cooler Cooler
Mopar
Mopar Description: With Drier - NOTE:25 pc min Qty Mix and Match Pallet Program only, Use mopar.com to order, Magneti-Marelli Parts tab
MSRP $539.00
$368.22
MSRP $539.00
$368.22
2
MSRP $31.60
$21.81
3
MSRP $36.90
$25.46
4
MSRP $13.35
$9.16
8
11
MSRP $8.95
$6.15
12
MSRP $4.90
$3.36
13
Hex Head Screw
Mopar
Mopar Description: M6x1x20. [.250-14X.750]. A/C OR HEATER UNIT BRKT TO COWL PLENUM
MSRP $5.50
$3.71
MSRP $5.50
$3.71
15
A/c Line Gasket & O Ring Kit
Mopar
Mopar Description: Includes 1 O-rings and 1 Gasket. Either Suction Line, Accumulator End
16
Hex Nut-coned Washer Nut And Washer
Mopar
Mopar Description: M8 x 1.25. Liquid Line/Filter Drier to Shock Tower Mounting
MSRP $11.30
$7.83
MSRP $11.30
$7.83
18
19
Condenser And Trans Cooler Cooler
Mopar
Mopar Description: With Drier - NOTE:25 pc min Qty Mix and Match Pallet Program only, Use mopar.com to order, Magneti-Marelli Parts tab. [XDK,NMB,NMC]
No.
Part # / Description / Price
Price
2
MSRP $202.00
$137.94
4
No.
Part # / Description / Price
Price
4
Heater Return Tube & Hose
Mopar
Mopar Notes: Transmissions: 5-SPEED AUTO W5A580 TRANSMISSION.
Description: Includes: Return Hoses, Clamps, Tubes


