Hydraulic Control Unit, Brake Tubes and Hoses for 2008 Dodge Challenger
No.
Part # / Description / Price
Price
N/A
O Ring, Mounting
Mopar
Mopar Notes: Transmissions: 5-SPEED AUTO W5A580 TRANSMISSION.
Description: Pump Tower to HCU Body
MSRP $9.45
$6.50
MSRP $9.45
$6.50
N/A
Ecu Coil Seal Seal, Mounting
Mopar
Mopar Notes: Transmissions: 5-SPEED AUTO W5A580 TRANSMISSION.
Description: Motor to Housing
MSRP $5.05
$3.42
MSRP $5.05
$3.42
N/A
Torx Head Screw
Mopar
Mopar Notes: Transmissions: 5-SPEED AUTO W5A580 TRANSMISSION.
Description: ABS Module Mounting to Bracket.
MSRP $5.15
$3.48
MSRP $5.15
$3.48
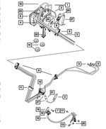
5
Anti-lock Brake System Module
Mopar
Mopar Notes: Transmissions: 5-SPEED AUTO W5A580 TRANSMISSION.
Description: Use with label on assembly marked 04779800AB
7
Hex Flange Head Screw, Mounting
Mopar
Mopar Description: M6x1.00x20.00. Rear Oil Seal Retainer To Cylinder Block
MSRP $3.20
$2.15
MSRP $3.20
$2.15
8
MSRP $9.75
$6.73
13
MSRP $7.95
$5.51
15
MSRP $9.45
$6.50
17
Hex Flange Head Bolt, Mounting
Mopar
Mopar Description: M6x1.00x10.90. Engine Oil Level Indicator Tube To Cylinder Block
21
MSRP $4.55
$3.07
24
Anti-lock Brake System Hydraulic Control Unit
Mopar
Mopar Notes: Transmissions: 5-SPEED AUTO W5A580 TRANSMISSION.
Description: Use with label on assembly marked 04779800AB.
25
Brake Hose To Caliper Gasket, Right Or Left
Mopar
Mopar Description: Brake Hose To Caliper
MSRP $9.20
$6.32
MSRP $9.20
$6.32
No.
Part # / Description / Price
Price
N/A
MSRP $4.55
$3.07
2
Hex Flange Head Bolt, Mounting
Mopar
Mopar Description: M6.3X1.81X20.00. Engine Oil Level Indicator Tube To Cylinder Block And Front Timing Case Cover
MSRP $8.90
$6.15
MSRP $8.90
$6.15
4
Brake Hose To Caliper Gasket, Right Or Left
Mopar
Mopar Description: Brake Hose To Caliper
MSRP $9.20
$6.32
MSRP $9.20
$6.32
5
MSRP $7.95
$5.51
8
MSRP $5.50
$3.71
9
MSRP $23.50
$16.18
10
MSRP $12.70
$8.64
11
MSRP $53.70
$36.86
12
Fuel Bundle Clip
Mopar
Mopar Description: 2 Lines Rear. 3 Tube Isolator Clip. 2 Line Rear Fuel.
MSRP $8.40
$5.74
MSRP $8.40
$5.74
13
MSRP $15.70
$10.79

